Насос циркуляционный Wilo Star RS

Насос циркуляционный Wilo Star RS
 
Узнать цену
Классическая модель для систем отопления и кондиционирования

Описание Насос циркуляционный Wilo Star RS

Каталог с техническими характеристиками (Ссылка на официальный сайт Wilo)

Тип

Циркуляционный насос с мокрым ротором и резьбовым соединением. Предварительно задаваемые ступени частоты вращения для регулировки мощности

Применение

Системы отопления, промышленные циркуляционные системы, системы подачи холодной воды и системы кондиционирования

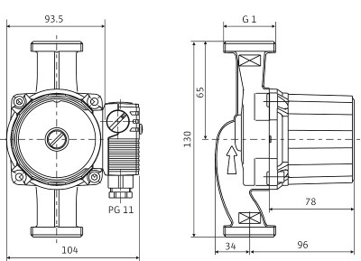
Обозначение

Пример: Wilo-Star-RS 25/4
Star-RS Стандартный насос (насос с резьбовым соединением)
25/ Номинальный внутренний диаметр Rp
4 Номинальная высота подачи [м] при расходе Q = 0 м3/ч 

Особенности/преимущества продукции

  • Применение для монтажа с горизонтальным расположением вала Клеммная коробка в положении 3-6-9-12 часов
  • Три предварительно выбираемые ступени частоты вращения для адаптации нагрузки
  • Простой и надежный монтаж благодаря практичным отливам под ключ на корпусе насосов.
  • Упрощенный электромонтаж благодаря съемному кабельномувводу клеммной коробки с возможностьюдвухстороннегоподключения; Быстрое подключение при помощи пружинных клемм

Оснащение/функции

Режимы работы

  • Переключение ступеней частоты вращения

Ручное управление

  • Настройка ступеней частоты вращения (3 ступени)

Оснащение

  • Отлив под ключ на корпусе насоса
  • Возможность двустороннего подвода кабеля
  • Быстрое подключение при помощи пружинных клемм
  • Устойчивый к токам блокировки мотор

Материалы

  • Корпус насоса: Серый чугун
  • Рабочее колесо: Синтетический материал
  • Вал: Нержавеющая сталь
  • Подшипники: металлографит

Объем поставки

  • Насос
  • Уплотнения
  • Инструкция по монтажу и эксплуатации
Цены и наличие товара уточняются по телефону:
+7 978 070-47-30

Задать вопрос

Менеджер ответит максимально быстро